生活污水处理一体化处理设备
一、生活污水处理一体化处理设备的设计工艺:
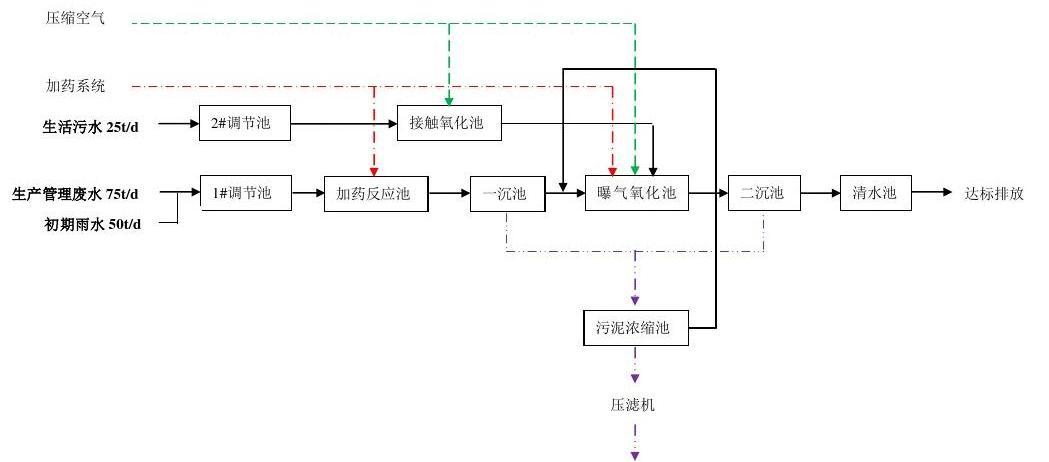
污水中的污染物分为溶解性有机物和非溶解性物质(即SS),溶解性有机物在一定条件下,可以转化为非溶液解性物质,污水处理的方法之一就是加入混凝剂和絮凝剂使大部分溶解性有机物转达化为非溶解性物质,再将全部或大部分非溶液解性物质(即SS)去除以达到净化污水的目的,而去除SS的主要方法就是利用气浮的方法.经加反应后的污水进入气浮的混合区,与释放后的溶气水混合接触,使絮凝体粘附在细微气泡上,然后进入气浮区.絮凝体在气浮力的作用下浮向水面形成浮渣,下层的清水经集水器流至清水池后,一部分回流作溶气使用,剩余清水通过溢流口流出.气浮池水面上的浮渣积聚到一定厚度以后,由刮沫机刮入气浮机污泥池后排出.

二、生活污水处理一体化处理设备生化系统:
经预处理后的废水进入生化池.污水处理设备是膜分离技术与生物技术有机结合的新型水处理技术,用超滤膜或微滤膜取代了传统生化工艺中的二沉池和常规过滤单元,使水力停留时间和污泥停留时间可以分别控制,难降解的物质在反应器中不断反应降解,强化了反应器的功能;固液分离能力使出水水质良好,悬浮物和浊度接近于零,并可截留大肠杆菌等生物性污染物,出水可直接回用,尤其适用于中水处理.
三、生活污水处理一体化处理设备日常保养事项:
1、根据反应池的絮凝,气浮区浮渣及出水水质,注意调节混凝剂的投加量等参数,特别要防止加药管的堵塞;
2,经常检查溶气罐的水位指示管,使其控制在一定的范围,以保证溶气效果.避免因溶气罐水位脱空,导致大量空气窜入气浮池而破坏净水效果和浮渣层.对已装有溶气罐液位自动控制装置的,则需注意设备的维护保养;
3,定期检查气浮机空压机与水泵的填料及润滑系统,经常加油;
4,在冬季水温过低时期,由于絮凝效果差,除通常需要增加投药量外,有时需要相应增加溶气水量或溶气压力,让更多的微气泡黏附絮粒,以弥补因水流黏度的增加而影响带气絮粒的上浮性能,从而保证出水水质正常;
5,经常观察气浮池面情况,如果发现接触区浮渣面不平,局部冒出大气泡或水流不稳应取下释放器排除堵塞;如果分离区浮渣面不平,池面上经常有大气泡破裂,则表明气泡与絮粒黏附不好,应检查并对混凝系统进行调整,或采取适当措施;不合格出水返回集水池,合格出水进入后续处理系统;
6,做好气浮机设备日常运行记录.包括处理水量,投药量,溶气水量,溶气罐压力,水温,耗电量,进出水水质,排渣局期,泥渣含水率等.


返回首页
电话
产品中心