一体化污水处理装置
一体化污水处理装置适用于居民日常生活中排出的废水,主要来源于居住建筑和公共建筑,如住宅,机关,学校,医院,商店,公共场所及工业企业卫生间等.生活污水所含的污染物主要是有机物,如蛋白质,碳水化合物,脂肪,尿素,氨氮等, 还有大量病原微生物,如寄生虫卵和肠道传染病毒等.存在于生活污水中的有机物极不稳定,容易腐化而产生恶臭.细菌和病原体以生活污水中有机物为营养而大量繁殖,可导致传染病蔓延流行.因此,生活污水排放前必须进行处理.

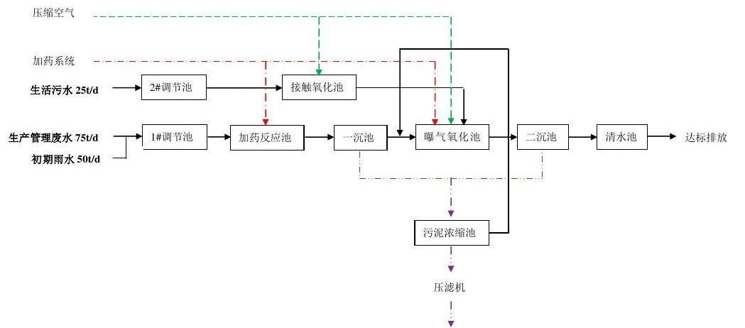
一体化生活污水处理设备工艺介绍:
(1)格栅
格栅的主要作用是将污水中的大块污物拦截,以免其对后续处理单元的机泵或管线造成损害.
(2)水解酸化池(调节池)
为了使管渠和构筑物正常工作,不受废水高峰流量或浓度变化的影响,需在废水处理设施之前设置调节池.调节池的作用是均质和均量,一般还可考虑兼有隔油,沉淀,混合,加药,中和和预酸化等功能,对水量和水质的调节,调节污水pH值,水温,还可用作事故排水.
(3)生物接触氧化法(污水处理设备)
本设备为处理系统的主体设备,设备为碳钢防腐结构,设备包含兼氧池,两级接触氧化池,沉淀池,接触消毒池,污泥储存池.接触氧化技术是一种好氧生物膜法工艺,接触氧化池内设有填料,部分微生物以生物膜的形式固着生长于填料表面,部分则是絮状悬浮生长于水中.因此它兼有活性污泥法与生物滤池二者的特点.接触氧化工艺中微生物所需的氧通常通过机械曝气供给.生物膜生长至一定厚度后,近填料壁的微生物将由于缺氧而进行厌氧代谢,产生的气体及曝气形成的冲刷作用会造成生物膜的脱落,并促进新生膜的生长,形成生物膜的新陈代谢.

一体化污水处理设备中的AO生物处理工艺,其工作原理是在1级,由于污水有机物浓度很高,微生物处于缺氧状态,它们将污水中的有机氮转化分解成NH3-N,利用有机碳源作为电子供体,将NO2-N,NO3-N转换成N2,还利用部分有机碳源和NH3-N合成新的细胞物质.
在A级,由于污水有机物浓度很高,微生物处于缺氧状态,此时微生物为兼性微生物,它们将污水中的有机氮转化分解成NH3-N,同时利用有机碳源作为电子供体,将NO2-N,NO3-N转换成N2,而且还利用部分有机碳源和NH3-N合成新的细胞物质.所以A级池不仅拥有有面物去除功能,减轻后续好氧池的有机负荷.有利于硝化作用的进行,而且依靠原水中存在的较高浓度有机物,完成反硝化作用,终消除氮的富营养化污染.
在O级,由于有机物浓度已大幅度降低,但污水处理设备仍有一些量的有机物及较高NH3-N存在.为了使有机物得到进一步氧化分解,同时在碳化作用完成情况下,硝化作用能顺利进行.在O级设置有机负荷较低的好氧生物接触氧化池,在O级池中主要存在好氧微生物及自氧型细菌,其中好氧微生物将有机物分解成CO2和H2O,自氧细菌利用有机物分解产生的无机碳或空气中的CO2作为营养源,将污水中的NO2-N,NO3——NO级池的出水流到A级池,为A级池提供电子接受体,通过反硝化作用终消除氮污染.

设备特点:
1,采用的生物接触氧化处理工艺,比活性污泥池体积小,适应性强,耐冲击负荷性能好,出水水质稳定,不会产生污泥膨胀;
2,填料比表面积大,微生物易挂膜,脱膜,在同样有机物负荷条件下,对有机物去除率高,稳定可靠,同时无需投加药剂,节约后续成本,降低运行费用;
3,水解酸化可有效污水血色,分解大分子有机物,减少后续处理负荷;
4,沉淀效果理想,可获得较好的出水水质;
5,消毒处理,去除率达到99.4%以上;
6,妥善处理剩余污泥,保证系统的稳定可靠运行,排泥方便,减少人工操作;
7,采用独特的构造方式,大限度减少臭气扩散;
8,运行管理简单,可根据实际情况进行运行状态调整,以获得好的运行效果;
9,净化效率高,BOD去除率在85%~90%,出水各项指标达到国家二级或一级排放标准;
污水处理装置的优势:
1,区域的小面积可以防止污泥膨胀,污泥不易丢失.
2,与传统的固定式生物膜技术相比生活污,可以避免复杂的操作问题,如定期反复冲洗,过滤材料的清洗和曝气器的更换等.
3,与传统生物膜相比,抗冲击负荷更大,残留污泥量更少.
4,坚持活性去污泥的成功率和操作的灵活性.
5,可以很好地满足生活污水和类似油及污水的处理,拍出的污水可用于绿化,浇筑道路等.
6,生物技术成熟,水力停留时间短,水质适应性好.
7,结构简单,操作方便,无需特殊管理,节省投资成本.

返回首页
电话
产品中心